关于北元
产品与应用
江南网页版登录入口
客户服务
人才发展
返回
返回
江南(中国)
行业应用
返回
公司动态
返回
技术支持
常见问题
防伪查询
服务网络
资料下载
返回
搜索
关于北元
产品与应用
江南(中国)
行业应用
江南网页版登录入口
公司动态
客户服务
技术支持
常见问题
防伪查询
服务网络
资料下载
人才发展
首页
客户服务
常见问题
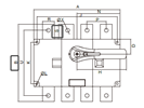
隔离开关如何计算本体去除外接母排的尺寸?
2021-07-27
样本尺寸中,有包含外接母排尺寸,还有外接母排的尺寸,如图所示:
隔离开关本体宽度=B-2S
上一篇
下一篇
中欧最新官网
|
亚美登陆官网
|
mingbo网页版
|
胜游电竞
|
亚投平台
|
亚美体育在线
|
天博网页版
|
江南app体育在线登录官网
|
胜游球赛
|